Таль электрическая CM Lodestar D8 LV (NEW) (Низковольтное управл.)
Стоимость уточняйте у менеджера или по телефону +7(495)542-40-78
На сайте указана ориентировочная стоимость модели Lodestar D8 LV (NEW) 250 кг с 12 метрами цепи. Точную стоимость этой модели тали, и других талей и вариантов комплектаций, а так же срок поставки заказываемого оборудования, можно уточнить у наших менеджеров.
Основные характеристики:
- Тип управления: низковольтное управление
- Электромагнитный тормоз Intorc DC
- 5-карманная звёздочка цепи для тихой и плавной работы
- лёгкий литой алюминиевый корпус, окрашенный в чёрный цвет
- режим нагружения H-4, 30 минут или 300 включений в час
- коэффициент безопасности 5:1
- защита от перегрузки
- грузовая цепь оцинкованная, чёрное фосфатное покрытие по запросу
- пожизненная гарантия — лучшая в своём роде при соблюдении правил и условий
- соответствует или превосходит мировые стандарты
Опции на заказ:
- контейнер для сбора цепи
- двойной тормоз
|
Модель |
Грузоподъёмность |
Стандартная скорость подъёма при 50 Гц |
Рабочее напряжение |
Однофазное напряжение |
Масса цепи на 1 м высоты подъёма |
Грузовая цепь EN 818-7 |
Ток при макс. грузе |
Полиспаст |
Мощность мотора |
Класс защиты |
|
B |
250 кг |
4 м/мин |
400-3-50 |
по запросу |
0,89 кг |
6,3 x 18,9 |
1,1 А |
1 |
0,18 кВт |
IP 55 |
|
C |
250 кг |
8 м/мин |
400-3-50 |
по запросу |
0,89 кг |
6,3 x 18,9 |
1,2 А |
1 |
0,37 кВт |
IP 55 |
|
F |
500 кг |
4 м/мин |
400-3-50 |
по запросу |
0,89 кг |
6,3 x 18,9 |
1,2 А |
1 |
0,37 кВт |
IP 55 |
|
J |
500 кг |
8 м/мин |
400-3-50 |
- |
1,42 кг |
7,9 x 21,7 |
2,3 А |
1 |
0,74 кВт |
IP 55 |
|
JJ |
500 кг |
16 м/мин |
400-3-50 |
- |
1,42 кг |
7,9 x 21,7 |
3,6 А |
1 |
1,47 кВт |
IP 55 |
|
L |
1000 кг |
4 м/мин |
400-3-50 |
по запросу |
1,42 кг |
7,9 x 21,7 |
2,3 А |
1 |
0,74 кВт |
IP 55 |
|
LL |
1000 кг |
8 м/мин |
400-3-50 |
- |
1,42 кг |
7,9 x 21,7 |
3,6 А |
1 |
1,47 кВт |
IP 55 |
|
R |
2000 кг |
2 м/мин |
400-3-50 |
по запросу |
2,84 кг |
7,9 x 21,7 |
2,3 А |
2 |
0,74 кВт |
IP 55 |
|
RR |
2000 кг |
4 м/мин |
400-3-50 |
- |
2,84 кг |
7,9 x 21,7 |
3,6 А |
2 |
1,47 кВт |
IP 55 |
Тали с другими скоростями и высотами подъема могут быть изготовлены на заказ.
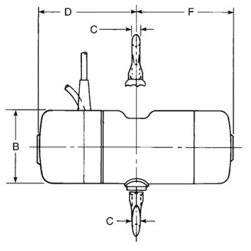
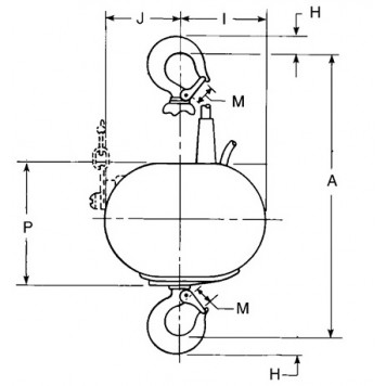
Размеры, мм:
|
Размер
|
Название
|
Тип корпуса
|
||
|
A, AA, B, C, E, F, H |
J, L, LL |
JJ, R, RR, RT |
||
|
B |
Высота корпуса |
154 |
194 |
194 |
|
C |
Ширина крюка |
17 |
22 |
29 |
|
D |
Корпус: со стороны тормоза |
297 |
253 |
253 |
|
F |
Корпус: со стороны мотора |
225 |
329 |
329 |
|
H |
Высота крюка |
25 |
30 |
38 |
|
I |
Корпус: слева |
107 |
145 |
179 |
|
J |
Корпус: справа |
113 |
176 |
142 |
|
M |
Зев крюка |
25 |
28 |
33 |
|
P |
Высота корпуса с основанием крюка |
168 |
208 |
208 |
