Лебедка ручная алюминиевая консольная PFAFF SW KAL 1120 кг
Стоимость уточняйте у менеджера или по телефону +7(495)542-40-78
Цена на лебёдку без каната. Канаты и крюки по запросу.
Малый размер может иметь большие преимущества: компактная лебёдка из алюминия является закрытым унифицированным узлом, и потому не требует техобслуживания. Её тяговые усилия от750 кгдо1120 кг также хорошо подходят для установки на автомобили и прицепы(с устройством свободного хода барабана), как и для поднятия и опускания грузов. Её многочисленные полезные свойства - например, компактная конструкция и самоблокирующаяся червячная передача (в состоянии покоя) или подшипник вала с малыми потерями на трение - обеспечивают именно то комфортное обслуживание, долговечность и безопасность, к которым Вы издавна привыкли в изделиях Pfaff-silberblau.
-
Удобство и простота использования - Самоблокирующаяся червячная передача и легкость при работе с грузом.
-
Защита внутренней конструкции - Привод выполнен в закрытом корпусе для защиты внутренних деталей.
-
Минимальный износ и легкость хода - В конструкции используется вал подшипников скольжения с низким коэффициентом трения для увеличения эксплутационного срока лебедки.
-
Легкость монтажа - Лебедка легко устанавливается в любом положении.
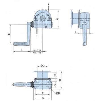
Размеры
| Модель | KAL 750 | KAL 1120 |
|---|---|---|
| A,мм | 165 | 165 |
| B,мм | 168 | 168 |
| C,мм | 170 | 170 |
| Ø D,мм | 100 | 63 |
| E,мм | 180 | 180 |
| F,мм | 135 | 135 |
| G,мм | 60 | 60 |
| H,мм | 56 | 50 |
| J,мм | 160 | 160 |
| Ø K,мм | 13 | 13 |
| L,мм | 85 | 85 |
Мы охотно ответим на все ваши вопросы по телефону: +7 (495) 542-40-78 или по электронной почте: info@pfaff-silberblau.ru
