Лебедка ручная барабанная настенная PFAFF SW-W ALPHA 300 кг (без каната)
Стоимость уточняйте у менеджера или по телефону +7(495)542-40-78
Цена на лебёдку без каната. Канаты и крюки по запросу.
Cверхплоская, легкая, настенная барабанная лебедка SW-W ALPHA 300 позволит поднимать грузы массой 300 кг и при этом существенно экономить место. Благодаря ширине в 194 мм впишется даже в узкую конструкцию!
Эта легкая по весу, небольшая по габаритам и безопасная в эксплуатации лебедка настолько элегантно и продуманно сконструирована, что завоевала признание промышленных дизайнеров - на форуме промышленного дизайна в Ганновере эта модель была признана лучшей в своем классе. Преимущества и изящество ее сверхплоской конструкции Вы в полной мере оцените при эксплуатации.
PFAFF Silberblau SW-W ALPHA с прямозубой цилиндрической передачей имеет небольшой собственный вес и крайне плоскую конструкцию. Она просто крепится на стене, отвод троса возможен в любую сторону.
Мы поставляем эту ручную лебёдку с гальванической оцинковкой, а по запросу и при соответствующем объёме партии – также из нержавеющей стали.
Основные преимущества
-
Компактность и удобство эксплуатации - Благодаря простоте и надежности конструкции, малому весу и габаритам эта модель очень удобна в применении.
-
Оптимальная эффективность управления - Отличный КПД благодаря прямозубой цилиндрической передаче.
-
Отвод троса - Отвод троса возможен в любую сторону.
-
Безопасность при работе - Рукоятка с грузоупорным тормозом обеспечивает надлежащую безопасность при работе с грузом.
-
Легкость монтажа - Легкий и быстрый монтаж лебедки на стене.
-
Долговечность - Все компоненты конструкции оцинкованы для защиты от коррозии.
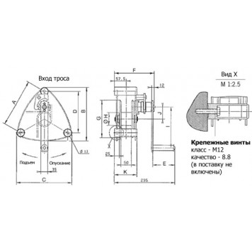
Размеры
| Модель | ALPHA 300 | ALPHA 500 | ALPHA 1000 |
| A,мм | 234 | 234 | 306 |
| B,мм | 262 | 262 | 337 |
| C,мм | 274 | 274 | 357 |
| D,мм | 203 | 203 | 265 |
| E,мм | 107 | 107 | 107 |
| F,мм | 194 | 194 | 194 |
| G,мм | 183 | 183 | 255 |
| Ø H,мм | 63 | 63 | 64 |
| I,мм | 200 | 250 | 320 |
Мы охотно ответим на все ваши вопросы по телефону: +7 (495) 542-40-78 или по электронной почте: info@pfaff-silberblau.ru
