Самоходный штабелер EGV PSL 1225, 1229, 1235 (новая версия модели EGV ESL)
Стоимость уточняйте у менеджера или по телефону +7(495)542-40-78
Самоходный штабелер EGV PSL 1225, 1229, 1235 (новая версия модели EGV ESL)
Электрическое перемещение, электрический подъем
Электроштабелеры EGV PSL 1225, 1229 и 1235 предлагают всем большим и малым предприятиям универсальность, требуемую в различных случаях применения: на Ваш выбор имеется высота подъема 2500мм,
Эта серия электроштабелеров идеально подходит для укладки и транспортировки товаров штабелированы на поддонах
в складских помещениях для ближнемагистральных и средних рабочих нагрузок.
Производство Pfaff Silberblau (Германия)
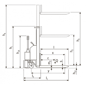
Параметры моделей
| Модель | Размер | EGV PSL 1016 | EGV PSL 1225 | EGV PSL 1229 | EGV PSL 1235 |
|---|---|---|---|---|---|
| Артикул | 192021784 | 40040503 | 40040504 | 40044421 | |
| Грузоподъёмность до высоты 2,5 м, кг | 1000 | 1200 | 1200 | 1200 | |
| Центр тяжести груза, мм | c | 600 | 600 | 600 | 600 |
| Колёсная база, мм | y | 1165 | 1190 | 1190 | 1190 |
| Масса с аккумулятором, кг | 363 | 481 | 496 | 531 | |
| Материал колёс / роликов* | PUR/VG+PUR | PUR+VG/PUR | PUR+VG/PUR | PUR+VG/PUR | |
| Диаметр x ширина управляемых колёс, мм | 186 x 50 +125 x 45 | 250 x 76 +150 x 40 | 250 x 76 +150 x 40 | 250 x 76 +150 x 40 | |
| Диаметр x ширина грузовых роликов, мм | 82 x 70 | 82 x 70 | 82 x 70 | 82 x 70 | |
| Количество колёс/грузовых роликов(х = приводных) | 1x+1/2 | 2+1x/2 | 2+1x/2 | 2+1x/2 | |
| Габаритная высота, мм | h1 | 1970 | 1780 | 1980 | 2250 |
| Свободный подъём, мм | h2 | 1510 | — | — | 80 |
| Ход вил | 1510 | 2410 | 2810 | 3410 | |
| Высота поднятой мачты, мм | h4 | 1970 | 2985 | 3385 | 3915 |
| Максимальная высота вил, мм | h3+h13 | 1600 | 2500 | 2900 | 3500 |
| Высота рукоятки, мм | h14 | 1365 | 1390 | 1390 | 1390 |
| Высота опущенных вил, мм | h13 | 90 | 90 | 90 | 90 |
| Габаритная длина, мм | L1 | 1675 | 1825 | 1825 | 1825 |
| Длина без вил, мм | L2 | 522 | 675 | 675 | 675 |
| Габаритная ширина, мм | b1/b2 | 794 | 850 | 850 | 850 |
| Высота вил, мм | s | 60 | 70 | 70 | 70 |
| Ширина зубца вил, мм | e | 150 | 150 | 150 | 150 |
| Длина вил, мм | I | 1153 | 1150 | 1150 | 1150 |
| Внешний размер вил, мм | b5 | 560 | 560 | 560 | 560 |
| Дорожный просвет, мм | m2 | 20 | 20 | 20 | 20 |
| Ширина рабочего коридора с европаллетом, мм | Ast | 2120 | 2075 | 2075 | 2075 |
| Радиус поворота, мм | Wa | 1344 | 1460 | 1460 | 1460 |
| Скорость перемещения с грузом/без груза, м/с | 3,7/4,3 | 4,0/5,0 | 4,0/5,0 | 4,0/5,0 | |
| Скорость подъёма с грузом/без груза, м/с | 0,11/0,18 | 0,08/0,12 | 0,08/0,12 | 0,08/0,12 | |
| Скорость опускания с грузом/без груза, м/с | 0,18/0,18 | 0,4/0,1 | 0,4/0,1 | 0,4/0,1 | |
| Допустимый уклон с грузом/без груза, % | 9/25 | 5/10 | 5/10 | 5/10 | |
| Стояночный тормоз | электромагнитный | электромагнитный | электромагнитный | электромагнитный | |
| Мощность двигателя перемещения, кВт | 0,35 | 0,7 | 0,7 | 0,7 | |
| Мощность двигателя подъёма, кВт | 2,2 | 2,2 | 2,2 | 2,2 | |
| Аккумулятор | стартёрный | стартёрный | стартёрный | стартёрный | |
| Зарядное устройство, B/A | 24/12 | 24/12 | 24/12 | 24/12 | |
| Аккумулятор, B/Aч | 24/70 | 24/92 | 24/92 | 24/92 | |
| Пульт управления | импульсный | импульсный | импульсный | импульсный |
* PUR — полиуретан, VG — резина
Мы охотно ответим на все ваши вопросы по телефону: (495) 542-40-78 или по электронной почте: info@pfaff-silberblau.ru

