Балочный зажим Yale YC-3 г/п 3000 кг
В санкциях. Доступны аналоги
18 422 руб.
Цена включает НДС
Доставим
Доставка в регионы:
Стоимость уточняйте у менеджера или по телефону +7(495)542-40-78
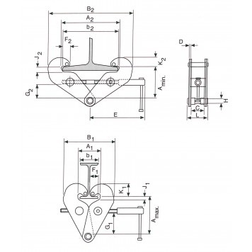
Балочный зажим Yale YC-3 грузоподъемностью 3 000 кг (3 тонны) предназначен для быстрого и удобного создания места зацепления на несущем профиле. Универсальность в применении достигается благодаря широкому диапазону регулировки захвата на балку. Центральный резьбовой винт позволяет быстро и легко зафиксировать зажим на балке.
На заказ:
- с такелажной скобой;
- специальное исполнение с уплощенной усиленной конструкцией для монорельсов с малым расстоянием между полками.
Размеры моделей
| Модели | YC 1 | YC 2 | YC 3 | YC 5 | YC 10 |
| A min, мм | 115 | 115 | 180 | 180 | 175 |
| A max, мм | 150 | 150 | 225 | 225 | 220 |
| A1, мм | 78 | 78 | 80 | 90 | 90 |
| A2, мм | 246 | 246 | 320 | 310 | 320 |
| B1, мм | 186 | 186 | 232 | 242 | 268 |
| B2, мм | 350 | 350 | 455 | 455 | 480 |
| b1, мм | 75 | 75 | 80 | 90 | 90 |
| b2, мм | 230 | 230 | 320 | 310 | 320 |
| C, мм | 50 | 50 | 70 | 70 | 70 |
| D, мм | 4 | 6 | 8 | 10 | 14 |
| E, мм | 215 | 215 | 255 | 255 | 275 |
| F1, мм | 34 | 35 | 35 | 35 | 35 |
| F2, мм | 17 | 18 | 21 | 21 | 20 |
| G1, мм | 82 | 82 | 120 | 116 | 110 |
| G2, мм | 44 | 44 | 75 | 75 | 66 |
| H, мм | 20 | 20 | 22 | 28 | 38 |
| J1, мм | 14 | 14 | 30 | 30 | 34 |
| J2, мм | 21 | 21 | 34 | 34 | 35 |
| K1, мм | 48 | 50 | 60 | 60 | 60 |
| K2, мм | 31 | 32 | 40 | 42 | 40 |
| L, мм | 84 | 94 | 122 | 129 | 146 |
Мы охотно ответим на все ваши вопросы по телефону: +7 (495) 542-40-78 или по электронной почте: info@pfaff-silberblau.ru
Грузоподъемность
3000 кг
Ширина полки балки
80-320 мм
Вес крантележки
9.2 м

